產品瀏覽排行
聯系元則

東莞市元則電器有限公司
全國服務電話:400-8383-586
總部地址:東莞市塘廈(sha)鎮蛟乙塘社區高麗四(si)路2號之二
吳經理:15017855118
電話:+86(0)769 39005817
傳真(zhen):+86(0)769 81281057
Q Q:
電子郵(you)箱:sales@ynjdhs.cn
![]() |
||
|
![]()
|
||
![]() |
||
| 電器陣營真英雄,百種電器完美兼容適用 | ||
![]() |
||
|
為您提供的繼電器,可適用以下電器
家用電器:空調、熱水器、電飯煲、熱水壺、電磁爐、電熨斗、咖啡機、面包機、按摩器、智能家居、智能燈控等 商用設備:電腦、傳真機、碎紙機、自動售貨機、自動電天窗、汽車天窗、門鎖等
|
||
![]() |
||
| 選擇繼電器需要提供以下條件 | ||
|
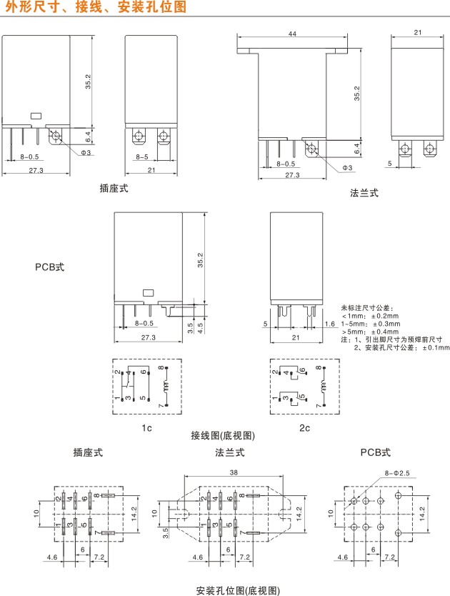
尺寸要求繼電器的體積:長、寬、高
線圈電壓常見可提供選(xuan)擇(ze)有:5V、6V、9V、12V、24V、48V
觸點形式繼電(dian)器(qi)常(chang)開(kai)或常(chang)閉(bi)(常(chang)見(jian)4、6只腳)、轉換(常(chang)見(jian)5只腳或8只腳)
負 載被控制(zhi)電路要(yao)求直流或交流負(fu)載(zai)大小(xiao),如:10A 250VAC 30A 14VDC
認證要求元則可(ke)提供CQC(3C)、TUV、UL、SGS(ROHS、SVHC)
壽命要求標準10萬次,也可根據您的要求定制不同壽命的繼(ji)電器
|
||
![]() |
||
01、外殼材料外殼可選過750度(du)PET材料 02、觸點材料觸點材料來自前國內前3位金(jin)牌供應商、繼電(dian)器耐(nai)(nai)磨(mo)、耐(nai)(nai)熔(rong)、滅弧、接觸電(dian)阻小 05、全自動繞線機自動焊接,減少線包(bao)大小頭、斷線、虛(xu)焊等不良率 自動檢測,減少員 04、自動化生產線03、核心部件繼電器的核心部(bu)件自己生(sheng)產,觸點、簧片(pian)、銜鐵、端(duan)子(A、B腳),使繼電器品質一(yi)致性、可靠(kao)性大(da)大(da)提(ti)高(gao) |
||
![]() |
||
![]() |
||
元則繼電器是一家專業研發、生產和銷售繼電器的高新技術企業,繼電器產品質量上獲得了美國UL、歐洲TUV、中國CQC認證;在產品的技術、設計、制造工藝以及新材料等方面與客戶一道不斷探索、創新不止,綠色環保、產品微型化、低功耗的發展趨勢研究上也不斷突破,擁有多項國家專利。 |
||
| 國際權威認證 | ||
![]() |
||
![]() |
||
|
元則在全國設有東莞、深圳、重(zhong)慶、杭州、順(shun)德 元則擁有專業的售后服務團隊,24小時(shi)專人服務。
與專業物流公司合作,3天送達全國(guo)。
|
||
![]() |
||
|
一般在環境(jing)(jing)溫度(du)不(bu)超出(chu)說明(ming)(ming)書中所規定的(de)范圍時,繼電(dian)器(qi)均(jun)可正常(chang)工作(zuo)。當實際使用(yong)(yong)中的(de)環境(jing)(jing)溫度(du)稍高(gao)于說明(ming)(ming)書規定的(de)最(zui)高(gao)值時,需要聯(lian)系元則(ze)電(dian)器(qi)技術人(ren)員,根據負載情況,確定繼電(dian)器(qi)是否可以正常(chang)使用(yong)(yong)。 在較大濕(shi)度(du)、甚至會(hui)凝露,以及(ji)粉塵多(duo)的(de)環(huan)境下(xia),推薦使(shi)用塑封型繼(ji)電器,因(yin)為(wei)較大的(de)濕(shi)度(du)易加速繼(ji)電器結(jie)構(gou)零件的(de)銹蝕,粉塵則易使(shi)繼(ji)電器觸點失效。 在含有機(ji)硅的環境下(xia),推薦使用密(mi)封型(xing)產品,因(yin)為有機(ji)硅會使繼(ji)電器加(jia)速觸(chu)點失效。 在(zai)含(han)H2S、SO2、NO2等有害氣體的環境下,不(bu)能使(shi)用防焊(han)劑(ji)型和防塵(chen)罩型,可用塑封型,并在(zai)實際使(shi)用中進(jin)行試(shi)驗(yan)確認(ren)。 在實際使(shi)用(yong)中,如果環境(jing)氣氛比較好,那(nei)么推薦使(shi)用(yong)防(fang)塵罩型(xing)或防(fang)焊劑型(xing)繼電(dian)器,因為防(fang)塵罩型(xing)或防(fang)焊劑型(xing)繼電(dian)器可獲得(de)較塑封型(xing)更長的電(dian)耐久性。 一般繼電器的(de)外形(xing)尺寸(cun)都有一定的(de)公差(cha),因此(ci)在設(she)計電路和安裝間隙時,推薦(jian)按說明(ming)書中規定的(de)最大尺寸(cun)進行設(she)計。 推薦焊(han)接(jie)溫度和時間(jian)為(wei):240 ℃ ~ 260 ℃,2s ~ 5s。若(ruo)需要進(jin)行回流(liu)焊(han),請(qing)確認說明(ming)書(shu)是(shi)否說明(ming)該款繼電器可以進(jin)行回流(liu)焊(han),若(ruo)有(you)不明(ming)之處請(qing)咨詢元則的(de)技術人(ren)員。 |




















元則繼電器是一家專業研發、生產和銷售繼電器的高新技術企業,繼電器產品質量上獲得了美國UL、歐洲TUV、中國CQC認證;在產品的技術、設計、制造工藝以及新材料等方面與客戶一道不斷探索、創新不止,綠色環保、產品微型化、低功耗的發展趨勢研究上也不斷突破,擁有多項國家專利。




